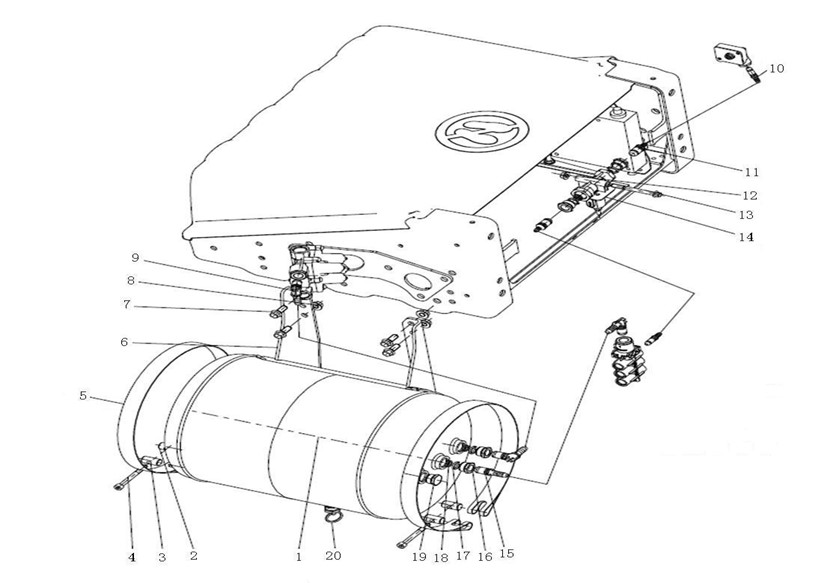
8830005 Air Reservoir 30L AL.
Unit8830005Detail

|
Unit8830005Detail |
|||||||
|
Num |
Hot Num |
Diagram No. |
Name |
Quantity |
Vertion |
Disuse Time |
Unit Code |
|
53 |
1 |
WG9000360787 |
Aluminium Air Reservoir Φ310/30L |
001 |
8830005 |
||
|
28 |
2 |
WG700 550013 |
Pin |
002 |
8830005 |
||
|
24 |
3 |
WG09 190017 |
Pin |
002 |
8830005 |
||
|
32 |
4 |
Q218B0880 |
Screw |
002 |
8830005 |
||
|
22 |
5 |
WG9700360005 |
Strap assembly (Φ310) |
002 |
8830005 |
||
|
13 |
6 |
712W51715-5098 |
BRACKET |
001 |
8830005 |
||
|
20 |
7 |
ZQ1841025TF6 |
Hexagon bolts with flange |
004 |
8830005 |
||
|
21 |
8 |
ZQ32010T13F6 |
Hexagon nuts with flange |
004 |
8830005 |
||
|
33 |
9 |
WG9000361204 |
Nozzle |
003 |
8830005 |
||
|
49 |
10 |
WG9000361106 |
Nozzle |
002 |
8830005 |
||
|
51 |
11 |
WG9000361104 |
Nozzle |
002 |
8830005 |
||
|
48 |
12 |
ZQ32008 |
Hexagon nuts with flange |
001 |
8830005 |
||
|
47 |
13 |
ZQ1840880 |
Hexagon bolts with flange |
001 |
8830005 |
||
|
37 |
14 |
WG9000360519 |
Valve |
001 |
8830005 |
||
|
35 |
15 |
WG9000361101 |
Nozzle |
001 |
8830005 |
||
|
7 |
16 |
WG9000361009 |
Nut |
002 |
8830005 |
||
|
5 |
17 |
WG9000361008 |
Clip |
002 |
8830005 |
||
|
3 |
18 |
WG9000361007 |
Gasket |
002 |
8830005 |
||
|
9 |
19 |
WG9000361012 |
Plug |
002 |
8830005 |
||
|
11 |
20 |
WG9000361402 |
Drain valve |
001 |
8830005 |
||
|
41 |
21 |
WG9000361007 |
Gasket |
002 |
8830005 |
||
|
43 |
22 |
WG9000361008 |
Clip |
002 |
8830005 |
||
|
45 |
23 |
WG9000361009 |
Nut |
002 |
8830005 |
||
()
