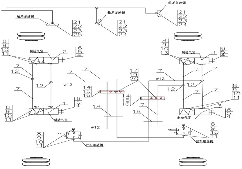
8364421 Dual drive axle brake chamber section
Unit8364421Detail

|
Unit8364421Detail |
|||||||
|
Num |
Hot Num |
Diagram No. |
Name |
Quantity |
Vertion |
Disuse Time |
Unit Code |
|
5 |
1 |
WG9000360608 |
Tristop Brake Actuator |
001 |
8364421 |
||
|
15 |
2 |
WG9000360613 |
Tristop Brake Actuator |
001 |
8364421 |
||
|
10 |
3 |
WG9000360609 |
Tristop Brake Actuator |
002 |
8364421 |
||
|
2 |
4 |
Q5101440 |
Pin |
004 |
8364421 |
||
|
3 |
5 |
Q40114 |
Washer |
004 |
8364421 |
||
|
4 |
6 |
Q5004030 |
Pin |
004 |
8364421 |
||
|
20 |
7 |
190003179785 |
Plastic tube |
019 |
8364421 |
||
|
32 |
8 |
WG9000361007 |
Gasket |
012 |
8364421 |
||
|
34 |
9 |
WG9000361008 |
Clip |
012 |
8364421 |
||
|
36 |
10 |
WG9000361009 |
Nut |
012 |
8364421 |
||
|
38 |
11 |
WG9000361204 |
Nozzle |
012 |
8364421 |
||
|
40 |
12 |
WG9000361310 |
Nozzle |
004 |
8364421 |
||
|
42 |
13 |
WG9000361406 |
Nozzle |
002 |
8364421 |
||
|
44 |
14 |
WG9525360104 |
bracket |
002 |
8364421 |
||
|
46 |
15 |
ZQ1840830 |
Hexagon bolts with flange |
002 |
8364421 |
||
|
47 |
16 |
ZQ32008 |
Hexagon nuts with flange |
002 |
8364421 |
||
|
48 |
17 |
WG9725360088 |
Cable binder |
004 |
8364421 |
||
|
50 |
18 |
190003171356 |
Cable binder |
016 |
8364421 |
||
|
51 |
19 |
190003171393 |
Cable binder |
006 |
8364421 |
||
|
52 |
20 |
WG9100360134 |
Spacer |
012 |
8364421 |
||
|
55 |
21 |
WG9000361001 |
Gasket |
003 |
8364421 |
||
|
57 |
22 |
WG9000361002 |
Clip |
003 |
8364421 |
||
|
59 |
23 |
WG9000361003 |
Nut |
003 |
8364421 |
||
|
61 |
24 |
WG9000361107 |
Nozzle |
002 |
8364421 |
||
|
63 |
25 |
WG9000361207 |
Nozzle |
001 |
8364421 |
||
()
