8364392 one drive axle brake chamber section
Unit8364392Detail

|
Unit8364392Detail |
|||||||
|
Num |
Hot Num |
Diagram No. |
Name |
Quantity |
Vertion |
Disuse Time |
Unit Code |
|
2 |
1 |
Q5101440 |
Pin |
002 |
8364392 |
||
|
3 |
2 |
Q40114 |
Washer |
002 |
8364392 |
||
|
4 |
3 |
Q5004030 |
Pin |
002 |
8364392 |
||
|
43 |
4 |
WG9000360910 |
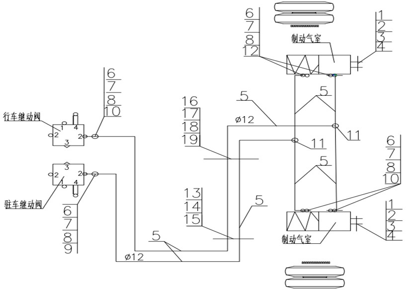
Tristop Brake Actuator |
002 |
8364392 |
||
|
10 |
5 |
190003179785 |
Plastic tube |
044 |
8364392 |
||
|
16 |
6 |
WG9000361007 |
Gasket |
006 |
8364392 |
||
|
18 |
7 |
WG9000361008 |
Clip |
006 |
8364392 |
||
|
20 |
8 |
WG9000361009 |
Nut |
006 |
8364392 |
||
|
22 |
9 |
WG9000361101 |
Nozzle |
001 |
8364392 |
||
|
24 |
10 |
WG9000361204 |
Nozzle |
003 |
8364392 |
||
|
26 |
11 |
WG9000361310 |
Nozzle |
002 |
8364392 |
||
|
28 |
12 |
WG9000361406 |
Nozzle |
005 |
8364392 |
||
|
34 |
13 |
WG9100360134 |
Spacer |
002 |
8364392 |
||
|
37 |
14 |
190003171393 |
Cable binder |
001 |
8364392 |
||
|
38 |
15 |
190003171356 |
Cable binder |
006 |
8364392 |
||
|
32 |
16 |
WG9525360026 |
bracket |
001 |
8364392 |
||
|
39 |
17 |
WG9525240035 |
clip |
001 |
8364392 |
||
|
41 |
18 |
ZQ1840625 |
Hexagon bolts with flange |
001 |
8364392 |
||
|
42 |
19 |
ZQ32006 |
Hexagon nuts with flange |
001 |
8364392 |
||
()
