8363320 brake
Unit8363320Detail

|
Unit8363320Detail |
|||||||
|
Num |
Hot Num |
Diagram No. |
Name |
Quantity |
Vertion |
Disuse Time |
Unit Code |
|
6 |
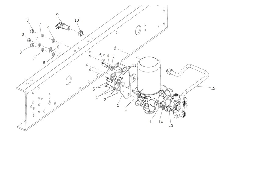
1 |
LG9700360020 |
air dryer with Four-circuit protection valve |
001 |
8363320 |
||
|
1 |
2 |
LG9700361076 |
bracket |
001 |
8363320 |
||
|
10 |
3 |
Q40112 |
Washer |
003 |
8363320 |
||
|
9 |
4 |
Q40312 |
Spring washer |
003 |
8363320 |
||
|
8 |
5 |
Q151C1230 |
Bolt |
003 |
8363320 |
||
|
12 |
6 |
Q40110 |
Washer |
003 |
8363320 |
||
|
13 |
7 |
Q40310 |
Spring washer |
003 |
8363320 |
||
|
14 |
8 |
Q340B10 |
Nut |
003 |
8363320 |
||
|
32 |
9 |
LZ9700361513 |
brakee |
001 |
8363320 |
||
|
45 |
10 |
LG9700360514 |
Hexagonal thin nut M2x1.5 |
001 |
8363320 |
||
|
11 |
11 |
Q150B1040 |
Bolt |
003 |
8363320 |
||
|
15 |
12 |
LG9700362146 |
brake |
001 |
8363320 |
||
|
25 |
13 |
LG9700361517 |
brake |
001 |
8363320 |
||
|
37 |
14 |
LZ9700360505 |
Support washer M22 |
001 |
8363320 |
||
|
40 |
15 |
LG9700360506 |
O-ring |
002 |
8363320 |
||
()
